Datasheet & Application Guide:
1L-MSM-113 Flange Mount Magnetic Reed Switch
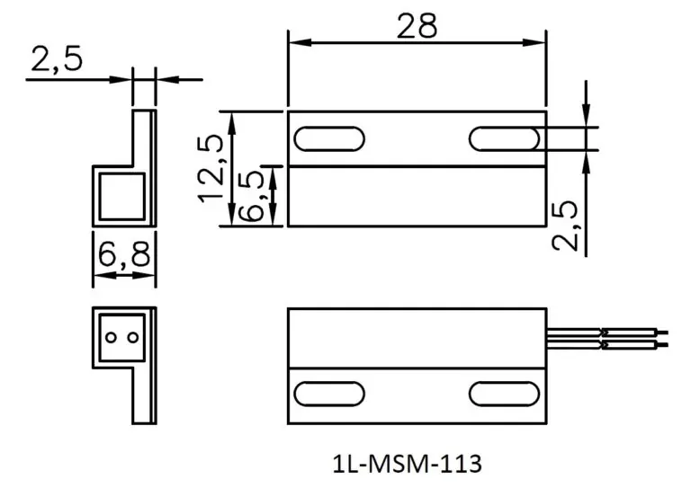
Model No. 1L-MSM-113
Technical Specifications:
| Switch Type (1L-MSM-113) | NO | NC |
|---|---|---|
| Voltage | 200 VDC | 60 VDC |
| Current | 0.5 A | 0.25 A |
| Power | 10 W | 4 W |
| Operating Gap (min.) | 15 | 10 |
| Dimensions (LxWxH) | 28 x 12.5 x 6.8 | 28 x 12.5 x 6.8 |
| Wire Type | PVC | PVC |
| * Wire Length (std.) | 18″ | 18″ |
| Core Size | 14/38 ATC | 14/38 ATC |
| Operating Temp. | -20°C to +70°C | -20°C to +70°C |
| Storage Temp. | -40°C to +85°C | -40°C to +85°C |
| Humidity | Up to 95% non-condensing | Up to 95% non-condensing |
| Housing Material | ABS Plastic | ABS Plastic |
| Mounting Type | Flange Mount – Easy Screw & Adhesive tapes (optional) | Flange Mount – Easy Screw & Adhesive tapes (optional) |
| Mechanical Life | Over 10 million cycles | Over 10 million cycles |
| Contact Resistance | 0.1 Ω | 115 mΩ |
| Housing Colour | White | White |
| Wire Colour | White | Black |